Apro questo post per confermare la soluzione che circola in rete per risolvere il problema della ruota libera del virago 535 per i modelli antecedenti il '98:
la soluzione è semplice e non comporta modifiche di tipo rilevante, l'unico problema (se così vogliamo chiamarlo) è nel reperire i pezzi..
inizio raccontando il caso nello specifico:
ho preso un virago usato del '94 il novembre scorso. dopo neanche 100 km la ruota libera parte per la tangente.. fortuna che avevo strappato una piccola garanzia al concessionario dove l'avevo presa e quindi il tutto è stato sostituito con pezzi originali Yamaha dello stesso tipo (perchè girino ancora è un mistero)..
a distanza di 6 mesi.. TAC.. la ruota libera parte di nuovo.. eh no.. mi son detto.. mo ci penzo io....
in giro circola la voce che è sufficiente mettere, anzichè la ruota libera del virago, quella del dragstar 650, che poi è uguale per i modelli del virago dopo il '98
(a tal punto segnalo questo utilissimo sito che ha gli esplosi di tutti i modella Yamaha mai esistiti ECCO QUI)
ma qui tra il dire il fare.. veramente non c'è di mezzo il mare! ;)
quindi, grazie ancora all'amico Custompoint che mi procura i pezzi del dragstar (se cercate gli esplosi, sono i pezzi dal 1 al 9 dello Starter Clutch) e ieri sera ho tentato l'impresa..
quindi.. via l'olio (andiamo bene mi son detto, conteneva tracce di limatura di ferro!!), via la pedalina SX e via il carter SX.. sono brugole e viti, niente di che..
apro il carter SX e mi trovo davanti la maledetta ruota libera..
è tenuta da una vite del 17, ma se provate a svitare, gira tutto il motore.. quindi dovete tener fermo l'ingranaggio con una chiave del 26 circa e svitare, oppure dare dei colpi leggere con chiave e martello di gomma..
fatto questo, trattenete con le mani tutti i componenti fino alla ruota dentata, questo perchè c'è un piccolo fermo che la tiente bloccata e dovete tirare via tutto insieme..
poi posterò le foto.. le brugole erano MANGIATE, il lamierino che doveva bloccarle era disassato e completamente DISTRUTTO e i 3 cuscinetti da tondi erano OVALI!! ci credo che non partiva..
cmq.. tirato via questi pezzi lanciando cancheri a destra e a manca.. rimonto alla stessa maniera i pezzi del dragstar (che per inciso hanno 6 brugole che tengono fermi all'incirca 20 cuscinetti, contro le 3 brugole che ne tengono 3)..
niente di più facile e senza modifiche.. entra tutto alla perfezione.. richiudo tutto, metto dell'olio nuovo.. et voilà!! il virago ora è perfetto!! si accende al primo colpo e non s'impunta più (almeno per ora, toccandoci..)..

Ottimo Blackbat, e' il caso che tu posti le foto e di chiedere agli admin di mettere questo post in rilievo
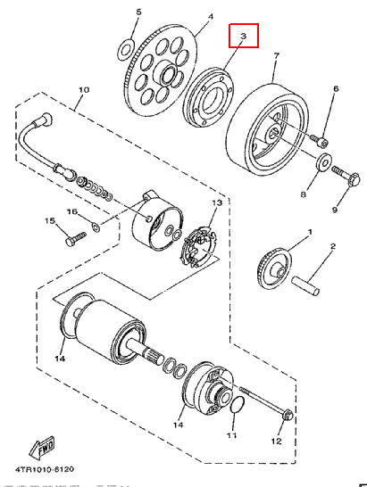
intanto un pò di esplosi.. questa è la ruota libera del Drasgtar 650


questa del Virago 535 ante '98
si vede bene che tutto il sistema differisce per "soli" 3 pezzi..
il n.7 del dragstar non c'è negli esplosi del virago.. semplicemente perchè.. sono uguali!!
se riesco stasera faccio un pò di foto, ma ho solo quelle della ruota libera del virago.. spero siano sufficiente per capire il meccanismo..
se provate ad aprire il carter, vedrete cmq che è una vera "stronzata" cambiarla e pensate che i meccanici prendono non meno di 500 euro per fare sta modifica!!!!
Grande! Ottimo lavoro e ottimo post!
Grande Black, non sai quanto ci sta a cuore sta benedetta ruota libera.
Sono sicuro che con i dovuti sacrifici si potrebbero trovare tutte le soluzioni di questo mondo...
per te non cambia niente, hai già il dragstar
:P
Cambia cambia...... Se si dovesse rompere la ruota libera gli butto 3 litri di benzina sopra e gli do fuoco!!! :cool:
sono 5 giorni che giro tranquillo, parte al primo colpo e non si impunta più... sperom bein!! ;)
ciao scusa,ios sono nuovo ed ho anche io una virago ma del 93 ...non si accende col motorino eil meccanico mi ha detto che è la ruota libera.Per la mia viraghina vale la stessa cosa anche se è del 93?,poi sto uscendo pazzo perchè mi servono le membrane dei carburatori,siccome le mie sono un pò bucate e il motore nn rende...qualcuno potrebbe aiutarmi ad averle?la yamah mi ha chiesto 163 l'una,io ne dovrei prendere entrambe e la spesa quindi va moltiplicata per due...!!!!ho chiesto anche per la ruota libera e costa tipo sulle 167 euro e il bello è che il meccanico della yamaha mi ha anche detto che solitamente non si rompe solo la ruota libera ma anche i due ingranaggi attorno.Morale della favola altri 75 euro per gli ingranaggi attorno....mi hanno chiesto intorno alle 700 euro con manodopera e siccome la moto l'ho presa 15 gg fa a 1000 euro ,non vorrei spendere quasi la stessa cifra x ripararla....!!!!vi prego non so più cosa fare ,mi sto convincendo che devo cercare di rivenderla ma doo tutti questi casini che sto facendo,solo per lo stress mi dovrebbero dare 30000 euro...!!!scherzi a parte,non sono ancora stao capace di farmi un bel giro come si deve...!v prego confido in voi amici bikers,se non ci aiutiamo tra dinoi,chi lo fa?
scusa non avevo visto il tuo post..
intanto.. stronzata n.1, non è vero che si rompono anche gli altri pezzi.. si rompe solo la ruota libera.. oltre a questo se posso, ti consiglio di fare da solo il lavoro.. risparmi un sacco di euro ed è una vera cavolata..
di dove sei? se sei vicino ti do una mano più che volentieri! io sto a reggio emilia..
oltre a questo, lascia stare i ricambi originali.. cerca la ruota libera o di un dragstar650 o di un virago 535 del 98 in avanti, almeno non ti si proporrà più il problema..
per le membrane guarda su ebay.com americano..
secondo voi si può trovar una soluzione simile anche per il drag 1100?
Pagine